Fjärrutlösare till Panasonic FZ20
Relaterade sidor: Kamera FZ20, Mätningar på fjärrutlösare, Mina foto-sidor, Mitt galleri.
DMW-RS1 är den fjärrutlösare som kan koplas in till åtminstonne panasonics digitalkamera FZ20. Den är fruktansvärt dyr, och också svår att få tag på. När jag köpte min, hade inte butiken eller någon grossist här i Sverige den inne, utan den behövde beställas från Panasonic. Det tog över en månad innan jag fick den. Andra som var tidigare ute, fick vänta mycket längre...
Förutom tillgång och pris, finns det ett till problem med fjärrutlösaren. Om man ställt in kameran för att ta flera bilder i serie, så måste man hålla in knappen helt och hållet medan man tar bilderna. Om man inte håller in knappen ordentligt, slutar kameran ta bilder även om man trycker in knappen ordentligt igen. Om man råkat släppa knappen halvvägs, måste man släppa knappen helt innan man kan ta bilder igen. Skulle också vara trevligt att ha en strömbrytare för att kunna ta flera bilder i följd, utan att behöva stå och hålla in en knapp. Jag har också funderat på att göra någon elektrisk timer, som gör att man kan ta bilder t.ex var tionde sekund
Uppmätta värden för fjärrutlösare DMW-RS1
Jag beskrev mätningarna här, och
resultatet var att följande schema kan användas för en fjärrutlösare med switchar:
Min kabel:
Efter att jag mätt upp hur fjärrutlösaren jag köpt fungerade, var problemet att hitta en kontakt. Den 4-poliga kontakten används troligen för att det ska vara omöjligt att bygga kabeln själv med vanlig 3-polig kontakt. Den 4-poligare är ovanligare, elfa har den inte, och när jag kollade hade farnell bara en version i lager (för ingjutning av kabeln), men dom skulle få en "vanlig" variant också någon gång i framtiden.
Jag sneglade i stället på Nokias handsfree för mobilen 3510i. Den har en kontakt som är identisk med den på fjärrutlösaren. Efter att ha mätt på en kompis handsfree (värden), verkade dom kontakter som behövdes vara anslutna i handsfreen.
Jag köpte först en för 99 spänn (lite dyrt, men det var original-tillbehör). Jag hittade en stor nackdel med att använda Nokias kabeln från headsettet. Kameran FZ-20 har väldigt ont om utrymme där man ansluter fjärrutlösaren, och headsettets kontakt har en gummi-kåpa ovanpå kontakten, som kan "lossna" om man inte har ett bra grepp om kontakten när man drar ut den. Eftersom jag skulle bygga fler fjärrutlösare köpte jag också en billigare pirat-variant (på kjell o kompany, art.nr. 34274 sommaren 2005, tillv. Proove). Den hade inte gummikåpan, utan gick enkelt att använda utan problem.
När jag provade att koppla in motstånd märkte jag hur viktigt det var att 36k-motståndet alltid är inkopplat. Man kan inte ta bilder med den egna fjärrutlösaren om inte 36k-motståndet alltid är inkopplat i serie med de andra man använder.
Den som undrar hur min färdiga låda ser ut, kan se den nedan. Jag har en tryckknapp för att ta kort, samt en strömbrytare som också är kopplad för att ta kort. Slår man om den strömbrytaren, så hålls knappen inne hela tiden. Det är jättebra om kameran är i läget att ta bilder så länge avtryckaren är intryckt. Jag har också en separat strömbrytare som motsvarar att trycka in avtryckaren på kameran halvvägs. Kan vara bra om man vill fokusera mm.

klicka på bilden för förstoring.
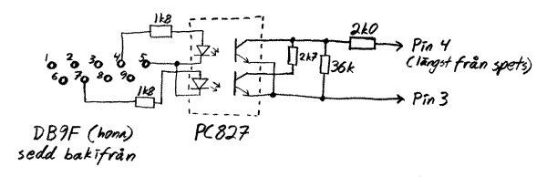
Datorstyrning av FZ20
Jag kunde inte låta bli att styra kameran från datorn. Tyvärr kan enbart kamerans avtryckare fjärrstyras, och inte zoomen. För att isolera kameran totalt från datorn, använde jag optokopplare kopplade till serieporten. Detta är mitt schema:

Jag trodde att vissa motstånd kanske behöver minskas om man vill använda en bärbar dator. Många bärbara ger bara +/-5V ut på pinnarna i serieporten, jämfört med +/-12V som är det normala. Jag var lite orolig hur stora spänningsfallen skulle bli över fototransistorerna i opptokopplaren, men hittade följande fina bild i databladet för PC827:

Kollektrorströmmen Ic kommer för oss alltid att vara mindre än 0.25mA. Diod-strömmen vid 5V är (5-1)/1800=2.2mA, vilket ger ett spänningsfall över transistorn under 0.15V. Då borde man klara sig, om man inte har väldigt långa ledningar till kameran. Får man ändå problem kan man kanske sänka 1k8-resistanserna till 1k0.
Mjukvaran för datorstyrning:
Numera använder jag i princip aldrig några Windows-datorer, och det var evigheter sen jag skrev program för dom. Därför har jag bara mjukvara för Linux just nu. Jag delade upp den i två olika program:
Intervall: Den mjukvara som bestämmer hur många sekunder det ska vara mellan varje bild som tas, och vars resultat skickas till seriald
seriald: Program som lyssnar på stdin eller i en pipe efter kommandon, och sätter stiften i RS232-porten enligt senaste kommandot.
Ej helt färdiga versioner av källkoden: fz20-rs232.zip
Du ansvarar själv för risken att skada dig själv/andra/saker/datorer/eller annat!