PPM-generator [KLART 9 feb 2003]
PPM-generatorn är en låda som skickar ut exakt samma typ av signal som en
Det skickar signaler från en sändare via kabel till en mottagare, som i sin tur styr servon. Just denna version har fyra potentiometrar som styr fyra servon, men detta kan lätt dubbleras. Totala kostnaden för komponenterna ligger under 100-lappen.
Sändaren har fyra potentiometrar, och elektroniken i den genererar en seriell signal som kopplas till mottagaren. Sändarens seriella utgång har exakt samma utseende som signalerna har inne i PPM-baserad radiostyrning (den billigare vanligare analoga varianten) innan signalerna i radiostyrningen moduleras så de kan skickas som radiovågor.
Mottagaren tar emot det seriella datat, och omvandlar signalen så att fyra servon kan styras direkt.
Den här bilden visar hur ppm-generatorn ser ut ihopbyggd. De fyra rattarna är kopplade till fyra potentiometrar som styr var sin kanal. Lådan drivs av ett 9V-batteri och slås av och på med en strömbrytare. Lådan har också en strömbrytare som kopplar bort de två första kanalernas potentiometrar, och kopplar in potentiometarrna från en joystick i stället. Slutligen sticker det ut en sockerbit ur lådan, som används för att koppla PPM-signalen till andra lådor.
Denna bild visar lådan innifrån. Jag har inte etsat något kort, utan använde ett experimentkort (förborrat, och med ledningsbanor), Som ni ser blev det många sladdar, så det är nog värt att etsa ett kretskort om man kan med sådant.
Och detta är schemat...
Några saker att notera är att dioden direkt efter 9V-batteriet ger ett stort extra spänningsfall. Dioden skyddar kretsen om man koplar in batteriet fel väg. Tar man bort dioden får man mycket längre batteritid. Man kan också byta den mot en germaniumdiod, men jag hade inte någon sådan liggande.
Sen är det inte heller världens enklaste sak att justera in trimpotentiometrarna, för de påverkar varandra i viss grad. Jag kommer kanske att sätta upp en guide här om folk ber mig om det.
Om någon undrar, så är områdena på trimpotentiometrarna väl tilltagna, då detta var mitt första bygge, och jag ville kunna justera bort eventuella felberäkningar..
| Komponentförteckning: Motstånd: 1 st 1k, 2 st 1k8, 1 st 18k, 1 st 47k, 1 st 470k. Trimpotentiometrar: 1 st 10k, 2 st 100k, 1 st 2M (2,2M går bra). (alla linjära). Potentiometrar: 4 st 100k (linjära) Kondensatorer: 1 st 10nF, 1 st 100 nF, 1 st 330 nF. Dioder: 1 st 1N4001, 5 st 1N4148. IC: 78L05 (+5V spänningsstabilisator), NE555 (timerkrets), 4017 (CMOS räknare). Övrigt: Batterikontakt för 9V-batteri, 4 st rattar till potentiometrarna, skruvplint dit signalen UT samt GND kopplas, socklar till IC-kretsarna (1 st DIP8, 1 st DIP16, 1 st 1-pol vippströmställare (mellan ena batterikontakten och +9V i schemat, låda för inbyggnad. Pris(2003): för
komponenter utom låda hos elfa c:a 400 kr =>
köp inte där. |
Modifieringar för inkoppling av joystick
De joysticks som används av PC-datorer med gameport-anslutning innehåller två (ofta fler) potentiometrar, med en resistans som oftast men tyvärr inte alltid ligger på 100kOhm. Om du är den lyckliga ägaren av en joystick där resistansen för vardera potentiometern varierar från c:a 0 till c:a 100 kOhm när du rör spaken från sitt minimiutslag till sitt maximiutslag, så kan du enkelt koppla in joysticken till bygget ovan. Denna modifiering gör att man genom att koppla om switchen kan använda joysticken för att styra de två första kanalerna, och två potentiometrar för att styra de resterande två kanalerna. När switchen är i andra läget styrs alla fyra kanaler av potentiometrarna. Enda nackdelen med detta är att bygget lättare tar upp störningar från t ex mobiltelefoner som ligger nära joystickkabeln, men det är inte besvärande för mig.
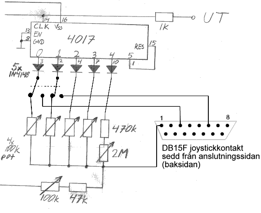
Schemats högra del efter modifieringen
Använd detta schema för den högra delen av kretsen om du vill bygga in joystickkontakten från början.

De modifieringar som behöver göras av ett färdigt bygge är:
- Koppla in pin 1 på joystickkontakten till någon av punkterna i schemat där alla fyra 100k-potentiometrarna är ihopkopplade.
- Skär av anslutningen mellan dioden kopplad till ben 3 på IC 4017 och första 100k-potentiometern.
- Skär av anslutningen mellan dioden kopplad till ben 2 på IC 4017 och andra 100k-potentiometern.
- Koppla in vänstra mittbenet från en 2-polig vippströmställare (med sex anslutningsben) till dioden (som är ansluten till ben 3 på 4017) på diodens katod-sida (den sida som ofta har en svart ring).
- Koppla in vippströmställarens högra mittben till dioden (som är ansluten till ben 2 på 4017) på diodens katod-sida (den sida som ofta har en svart ring).
- Koppla in vippströmställarens översta vänstra ben till den anslutning på potentiometern som tidigare var kopplad till dioden som var ansluten till ben 3 på 4017.
- Koppla in vippströmställarens översta högra ben till den anslutning på potentiometern som tidigare var kopplad till dioden som var ansluten till ben 2 på 4017.
- Koppla in vippströmställarens nedersta vänstra ben till pin 3 på joystickkontakten.
- Koppla in vippströmställarens nedersta högra ben till pin 6 på joystickkontakten.
|
Extra komponenter behövda för modifiering: Övrigt:1 st 2-pol vippströmställare, 1 st DB15F (joystickkontakt
Pris(2003): dessa komponenter c:a 40 kr hos elfa, |
Du ansvarar själv för risken att skada dig själv/andra/saker/datorer/eller annat!