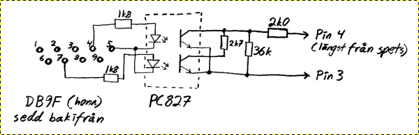
Snygga till fotade schemor
Det här är en guide eller HOWTO, som beskriver hur man får dåligt fotade schemor att bli riktigt snygga. Metoden skulle inte fungera på bilder där det finns väldigt stora svarta områden. Programmet jag använder är GIMP, men proceduren kan göras i de flesta bildbehandlingsprogrammen.
Rita schemat på vitt papper: När jag ska digitalisera schemor, brukar jag börja med att rita schemat lite snyggare på vitt papper. Jag använder vanligen en ganska grov blyerts-penna (0.9mm). Jag trycker inte hårdare än att man kan sudda om något blir fel.
Fota schemat:
När schemat är ritat, fotar jag av den med min digitalkamera. Jag använder
högsta upplösning, och oftast skrivbordslampan som enda belysning. Det är
bäst om man har så jämn belysning som möjligt, men inte nödvändigt. Det viktigaste är att rikta lampan så man inte får ljusa reflexer i blyertsen.
Om man vill kan man ställa in vitbalansen i kameran innan man fotar, så att pappret
blir vitt. Men vi kommer senare att sätta vitpunkten, så det är nästan
onödigt att ändra kamerans inställningar.

(Jag ansträngde mig för att få en riktigt dålig bild att starta med.
Observera även att bilderna i denna guide är kraftigt nedskalade.)
Beskär bilden:
Öppna bilden i bildbehandlingsprogrammet. Beskär sedan bilden så att bara
schemat blir kvar.
Korrigera vitbalansen:
Gå till Nivåer i "Lager"->"Färger"-menyn. Klicka på den vita pipetten
i dialogen. När den är vald, prova att klicka på olika ställen i de
ljusaste ställena av det vita pappret. Vad du gör är att du manuellt anger
vad som ska vara helt vitt. Klicka OK när du fått pappret att vara vitt/grått.
Observera att du INTE ska klicka i de mörkare delarna av det vita pappret, även om
du tycker schemat blir bättre av det just nu.

Duplicera lagret:
Öppna Lager-fönstret (Ctrl+L), högerklicka på det enda lagret som finns,
och välj "Duplicera lager". Markera sedan det nya lagret, så att framtida
ändringar görs där. Se till att kopian är överst i Lager-fönstret,
och att kopian är markerad.
Gaussisk oskärpa på kopian:
Välj "Gaussisk oskärpa..." i "Filter"->"Gör Suddigare"). I dialogen anger du
oskärperadien 500 pixlar (både horisontellt och vertikalt). Resultatet blir en bild
som enbart visar belysnings-variationerna.
Invertera kopian:
Välj Invertera i menyn "Lager"->"Färger". Detta inverterar den suddiga bilden.
Ändra läge till Addition för kopian:
I Lager-fönstret väljer du Addition som läge för kopian. Detta gör
att värdena i de två lagren adderas (om kopian är översta lagret).
Resultatet är en bild där allt vitt i bilden är jämnvitt. Även det
svarta påverkas, och i dåligt upplysta områden blir det svarta mindre
svart. Det är därför som man hellst ska ha ganska jämn belysning från
början. Då blir det svarta jämnsvart redan i detta steg.
Sammanfoga synliga lager:
Välj "Sammanfoga synliga lager" (Ctrl+M) i "Bild"-menyn. Detta gör att vi får
ett enda lager att arbeta med.
Tröskla bilden:
Välj "Tröskelvärde..." i "Lager"->"Färger". Försök hitta ett
tröskelvärde som behåller alla detaljer, utan att få mycket prickar i
det som ska bli vitt. Du behöver zooma till naturlig storlek (100%) för att se om
ett för lågt tröskelvärde gett dig pixelstora prickar. Använd
lägsta möjliga tröskelvärde.

(Del av bilden vid hyfsad tröskling, i skala 100%)
Ta bort svarta fläckar: Om det blev kvar enstaka svarta fläckar, välj en stor helt vit pensel och klicka bort fläckarna. Var belysningen ganska jämn och inte för svag, så behövs normalt inte detta steg. Har man flera fläckar som bara är en pixel stora, kan man prova att applicera filtret Generiska->Erodera följt av filtret Generiska->Väx.
Skala bilden:
Skalningen "Skala bild..." finns i menyn "Bild". Nedskalningen kommer att ge mjukare
övergångar mellan svart och vitt. Normalt ska man aldrig skala mer än 50% i
ett steg, eftersom tunna linjer i så fall kan försvinna (Gäller alla
bildbehandlingsprogram). Välj också Kubisk interpolation för bästa
kvalitet. Den här bilden skalade jag två gånger. Först till 50%, och
sedan till bredden 600 pixlar (också c:a 50%).

(Färdigt nedskalat schema, normal storlek.)
Spara bilden: Nu behöver bilden bara sparas, helst i GIF-format. Det kan vara bra att först välja att bilden ska använda en nät-optimerad palett. Paletten väljs i "Indexerad..." i "Bild"->"Läge"-menyn.
På sistone har jag börjat skriva ett script som gör många av stegen automatiskt. Man måste beskära bilden först, sen kan man i GIMP köra scriptet simong_schemor.scm. Efter det är bara tröskling samt borttagning av svarta fläckar kvar.